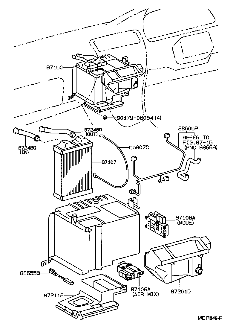
87150 RADIATOR ASSY, HEATER
9017906054 ** Std Part
88605P HARNESS SUB-ASSY, AIR
CONDITIONER WIRING
87248Q PIPE, FRONT HEATER
RADIATOR WATER
8715 ** Refer Fig
55907C CABLE SUB-ASSY, WATER
VALVE CONTROL
87107 UNIT SUB-ASSY, HEATER
RADIATOR
87106A SERVO SUB-ASSY, DAMPER
88655B SWITCH, WATER
TEMPERATURE
87201D DUCT SUB-ASSY, AIR
87211F DUCT, AIR
9017906054 ** Std Part
88605P HARNESS SUB-ASSY, AIR
CONDITIONER WIRING
87248Q PIPE, FRONT HEATER
RADIATOR WATER
8715 ** Refer Fig
55907C CABLE SUB-ASSY, WATER
VALVE CONTROL
87107 UNIT SUB-ASSY, HEATER
RADIATOR
87106A SERVO SUB-ASSY, DAMPER
88655B SWITCH, WATER
TEMPERATURE
87201D DUCT SUB-ASSY, AIR
87211F DUCT, AIR
